2020年4月23日15時20分左右,湖北正大有限公司羽毛粉車間后面污水溝發生一起生產安全事故,事故造成3人中毒死亡,直接經濟損失約297萬元。
事故發生后,副省長作出重要批示,要求妥善處理善后事宜,查明事故原因,嚴肅處理。要總結教訓,編制和完善相應操作規范,落實安全防范設備和措施,嚴防再次發生此類事故。隨州市市長克克要求盡快查明原因,嚴肅處理相關責任人,嚴防發生此類事故。隨州市副市長吳超明、隨州高新區管委會主任周亞林、隨州市應急管理局局長劉耘禾第一時間趕赴現場指導救援處置工作,要求深刻吸取事故教訓,強化工貿企業隱患排查治理,嚴格落實企業主體責任,同時督促妥善處理善后事宜。
依據《安全生產法》《生產安全事故報告和調查處理條例》《湖北省生產安全事故報告和調查處理辦法》等法律法規,隨州市政府于4月26日成立了由市應急局局長劉耘禾為組長,市應急局、市公安局、市總工會等部門有關人員為成員的隨州高新區湖北正大有限公司“4·23”較大中毒生產安全事故調查組(以下簡稱事故調查組)。事故調查組邀請市人民檢察院派員參加,并聘請安全、環保工程等方面的專家組成專家組參加了事故技術調查工作,委托權威檢驗檢測機構進行了氣體檢測或鑒定。
事故調查組按照“四不放過”和“科學嚴謹、依法依規、實事求是、注重實效”的原則,通過現場勘驗、查閱資料、調查取證,查明了事故發生的原因、經過、人員傷亡和直接經濟損失等情況,認定了事故性質和責任,提出了對有關責任人員和責任單位的處理建議,并針對事故原因及暴露出的突出問題,提出了事故防范措施建議。現將有關事項報告如下:
一、基本情況
(一)事故發生單位情況
1、湖北正大有限公司。公司成立于2015年12月31日,注冊資本28000萬元,為正大食品投資有限公司全資控股子公司,統一社會信用代碼:91421300MA488D5C0P,企業類型:有限責任公司(港澳臺法人獨資),企業住所:湖北省隨州高新技術產業園區季梁大道001號。公司經營范圍:生產和銷售飼料及飼料添加劑;種雞、商品雞養殖、銷售;生產加工速凍食品;生產加工肉制品等。
湖北正大食品園區占地面積640畝,下設飼料生產、種雞場、孵化、屠宰四大板塊,擁有2個飼料加工廠,年加工畜、禽、水產飼料54萬噸;8個種雞場,年種雞飼養能力50萬套;1個雞苗孵化場,年孵化能力6000萬羽;1個肉雞屠宰加工廠,單班年屠宰分割肉雞能力5000萬只, 2個冷庫及速凍生產線,冷庫容量10000噸,速凍加工能力每年8萬噸,公司為集飼料加工、種雞養殖、種蛋孵化、肉雞飼養、肉雞屠宰加工與銷售一體的完整產業鏈生產企業。
公司下設行政部、安環部、食品事業部、采購部、運輸部等部門,公司內環保和安全由安環部負責,外包協調由行政部負責。
2、隨州市高新區國勝保潔經營部。該經營部法定代表人為曹國勝,營業執照統一社會信用代碼:92421300MA4BGKKA5J,類型:個體工商戶,成立日期:2013年5月22日,注冊地址:隨州市經濟開發區同星農業公司院內,經營范圍:垃圾拖運服務、化糞池清理、管道疏通。
2020年4月15日,曹國勝與湖北正大有限公司簽訂污水溝清理協議,合同約定湖北正大有限公司將食品廠洗衣房至污水站下水道、污水溝內的垃圾、污泥清理等工作承包給曹國勝施工,合同有效期為2020年4月16日至2020年4月26日。
(二)現場勘查情況
1、事發點現場勘查情況
根據現場救援視頻及第一時間到達現場的人員口述,事故發生地點位于羽毛粉生產車間與涼水塔之間的污水溝內,靠近南側圍墻處。
經現場勘查,事發污水溝上部有水泥蓋板,污水溝兩側為墻壁,墻壁中間有橫梁支撐。污水溝整體深度2.66m,污水溝寬約0.95m,污水水深0.71m。污水溝上方蓋板長度(由北側無蓋板部位到南側圍墻)約為2.7m。污水溝靠近北側部位的墻壁已嚴重傾斜。
2、事發點周邊環境現場勘查情況
事發點北側為墻壁已倒塌、無蓋板的污水溝,倒塌的污水溝內有一個木梯,若干支撐墻壁的頂桿。最近處有一根紅色廢水排放管道(洗滌塔廢水排放管道),距離不遠處有另外一根紅色冷凝水排放管道(冷凝水排放管道)。倒塌的污水溝邊緣無警戒線、護欄及警示標志。倒塌的污水溝上方為涼水塔的循環冷卻水管;事故發生點南側為圍墻,圍墻后方為煉油車間及硬化地面(2019年年初已硬化)。硬化地面下方有污水溝,污水溝水源分別來自屠宰車間、羽毛粉生產車間及煉油車間;事故發生點東側為涼水塔,涼水塔后方為圍墻;事故發生點西側為空地(未硬化),空地另外一側為羽毛粉生產車間。羽毛粉車間東側為吸收塔設備區,布置有冷凝器、化學洗滌塔、凈化氧化電離一體機。空地地面不平整,有磚塊等雜物。
(三)事發點污水來源
根據以上現場勘查情況,結合湖北正大有限公司提供的污水管網分布圖,確定事發點污水來源主要由三部分組成:羽毛粉車間加工分離壓濾階段污水水箱溢出的污水、屠宰車間排放廢水、煉油車間排放廢水。羽毛粉車間內部洗滌塔排放的廢水,排放至事發點附近(緊鄰事發點)。
(四)高濃度有毒有害氣體產生原因分析
1、產生有毒有害氣體的污水及底泥來源分析
根據湖北正大有限公司提供的《新建年處理3000萬只生雞生產線項目環境影響報告書》(2010年12月,武漢工程大學編制):屠宰車間出來的廢水主要污染物指標為:COD2000mg/L、BOD1000mg/L、SS1200mg/L、動植物油200mg/L、氨氮30mg/L、糞大腸桿菌300000個/L、氯化物300mg/L。
根據湖北紀安安全技術有限公司和湖北華信中正檢測技術有限公司兩家檢測機構檢測結果及環評報告中主要污染物濃度分析,污水溝廢水來源主要來自三個方面:一個羽毛粉車間出來的廢水、屠宰車間出來的廢水、煉油車間出來的廢水,事發點上游廢水典型特點為:項目COD、BOD、總磷濃度較高,為較高濃度有機廢水。氨氮、動植物油、懸浮物含量較高,易在污水底部形成厭氧環境。懸浮物含量較高,易在污水溝底部形成積泥。糞大腸桿菌較多,可分解有機物產酸產氣。硫化物含量較高,易從水中逸散于空氣,產生硫化氫。
2、產生有毒有害氣體的厭氧環境分析
根據湖北正大有限公司相關當事人口述,此段污水溝自2019年以后,便未清理過。事發污水溝(位于煉油車間與羽毛粉車間之間)自2019年以后,水溝上方地面被硬化(之前水溝上方為水泥蓋板)。
現場勘查發現,事發污水溝僅有幾處觀察井蓋與外界相通,上方井蓋因運輸車輛碾壓,井蓋極不易被打開。上游屠宰車間污水溝內淤泥較深,事故發生點污水溝內上方漂浮物較多,污水基本在漂浮物下流動。
以上眾多因素均可導致此段污水溝內污水、污泥形成厭氧環境。
3、有毒有害氣體產生機理分析
事故發生點處的高濃度有機廢水、底泥,在厭氧環境下,發生厭氧消化反應,糞大腸桿菌(微生物類)發生厭氧呼吸,產酸產氣。污水及污泥中供氫體和受氫體都參與有機化合物的生物氧化作用,但此種生物氧化作用不徹底,最終形成各種還原性產物,產生硫化氫、氨氣、磷化氫、氰化氫、氯化氫等有毒有害氣體,同時產生二氧化碳及部分甲烷。
4、人體接觸
此次事故導致人中毒而亡的主要接觸途徑為經過呼吸道吸入有毒有害氣體。根據現場救援視頻及事發現場第一當事人口述,死者均倒在有蓋板的一側污水溝內。在事發污水溝內,有毒有害氣體不易揮發,在有限空間內形成高濃度有毒有害氣體,人員不慎接觸即可發生中毒事故。
從當事人描述來看,進入事發污水溝內的施救人員吳文洋,在到達事發點施救作業不到一分鐘內即倒下去,臉部立即變為紫色,可以判定引起人員中毒的氣體急性毒性較大,為極度危險性氣體。根據當事人口述現場煙霧很大、很刺鼻,以及屠宰及肉類加工工業行業特點,事發污水溝內可能造成人員1分鐘內立即死亡的有毒有害氣體有硫化氫、氰化氫、磷化氫、氨氣、氯氣。
(五)污水溝污水、氣體檢測情況
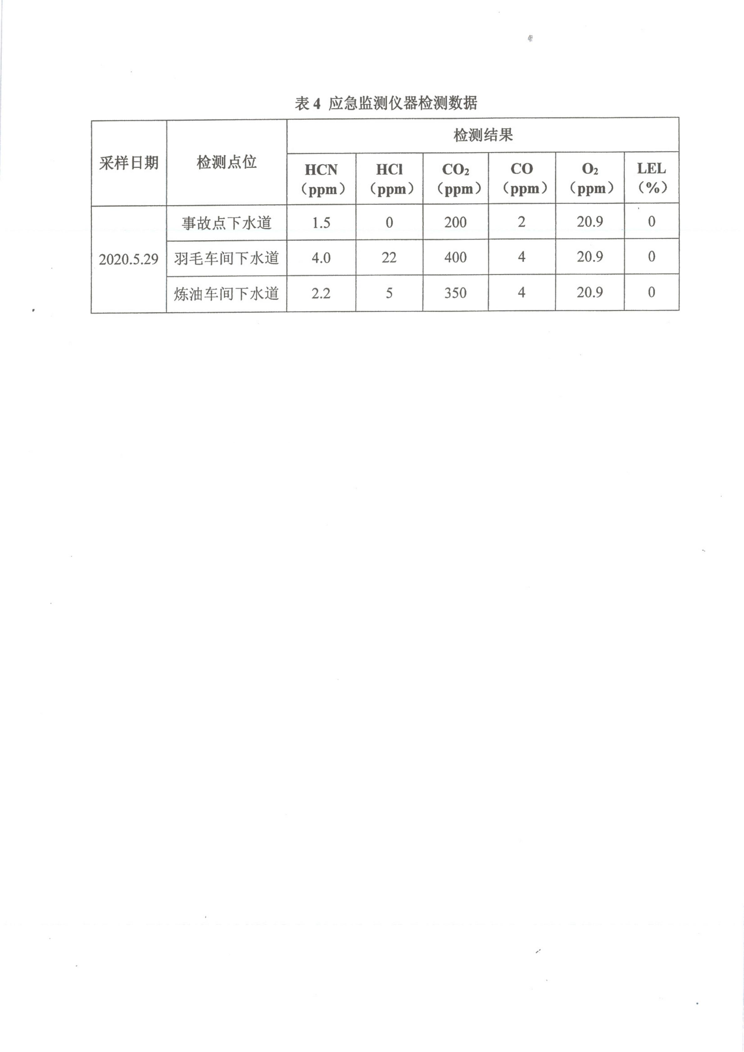
事故調查組委托了湖北紀安安全技術有限公司和湖北華信中正檢測技術有限公司兩家檢測機構對事發點的污水和氣體進行了取樣檢測,檢測發現事發污水溝內含有多種有毒有害氣體,具體數值見附件1、附件2、附件3。
二、事故發生經過、應急救援及善后處理情況
(一)事故發生經過
2020年4月22日晚,曹國勝與妻子周萬清聊天說明天要到湖北正大有限公司做污水溝清淤施工,周萬清想隨其一起進城看孩子。由于要做污水溝清淤的事,曹國勝沒有時間運送正大公司污水處理站的污泥,遂約請本村親戚曹傲春明天幫其駕駛三輪車運送污水處理站的污泥。23日早上六點半,三人一同從新街鎮姚廟村開車前往隨州城區,到達城區后,周萬清先行下車,7時43分,曹國勝和曹傲春進入湖北正大有限公司廠區。11時57分,曹國勝和曹傲春出湖北正大有限公司廠區去吃飯。12時46分,兩人再次進湖北正大有限公司廠區。
15時左右,周萬清前往正大公司看望曹國勝,進入廠區后詢問污水處理站工作人員得知曹國勝在污水溝那邊,于是前往污水溝找曹國勝。周萬清到達羽毛粉車間后側的污水溝后,看到劉昌生(曹國勝員工)暈倒在下水道口附近,于是喊道“國勝,這有個老人暈倒了”。曹國勝在事故發生污水溝內回話:“趕快喊人救人”。隨后,周萬清往污水處理站的方向跑,快到污水處理站的時候,她看到吳文洋、劉兵兩個人,便招手喊道“趕快去救人”。劉兵和吳文洋在聽到呼喊聲后,循著她指的方向跑去。吳文洋跑在前面,劉兵在后面,在一旁卸污水的劉全堂聽到聲音后,隨后也跟著趕到事發現場。
劉兵到達事發現場時,見到吳文洋已經下到污水溝里面。吳文洋試圖把暈倒人員拉出污水溝,劉全堂蹲在水溝上面準備接應他,不到一分鐘,劉全堂看到吳文洋的臉部變成蠟黃色,一下子栽倒污水里面。劉全堂、劉兵二人試圖在附近找工具施救,但沒有找到。
(二)事故報告及應急救援情況
15時28分,劉兵一邊撥打120、119電話,一邊往外跑喊人救人,之后劉兵向運輸部經理楊智發打電話匯報了事故。15時31分,楊智發向安環部周育才報告,15時35分,周育才向康玉璽(公司行政總監)報告,并撥打了110。公司行政總監康玉璽、安環部部長周育才到達事故現場后,立即組織現場人員尋找工具進行施救,安排人員去大門口引導消防救援車輛。
119(隨州市消防救援支隊指揮中心)接警后,立即調派紅旗路消防救援站3車15人,攜帶濕式救援服、空氣呼吸器、手套等個人防護裝備,以及橡皮艇、火鉤、繩索、擔架等救生器材前往救援,于15時43分到達現場。救援人員到達現場后,發現事故區域比較狹窄,作業面有限,3人都在下水道內,現場刺激性氣味較濃。根據現場人員被困情況,消防救援人員分為前后兩組,前方救援組共4人,其中2人佩戴空氣呼吸器使用火鉤調整人員位置,利用繩索固定被困人員身體部位,將被困人員救出,另2名救援人員負責輔助和安全保護。后方保障組8人位于岸旁空地,負責救援繩索牽引和將救出的被困人員轉運至120急救車。16時23分,3名人員被撈出。經120急救人員現場診斷,宣布三人死亡。
(三)善后工作情況
事故發生后,隨州高新區管委會積極協調,促成湖北正大有限公司與死者家屬達成賠償協議,善后處理工作已結束,沒有發生群體性事件和造成不良影響。
(四)事故人員傷亡及經濟損失情況
此次事故共造成三人死亡。
1、曹國勝,男,51歲,漢族,身份證號碼:420619196904263***,住址:隨縣新街鎮姚廟村十組。
2、劉昌生,男,69歲,漢族,身份證號碼:42061919510911****,住址:曾都區東城辦事處望城崗村2組。
3、吳文洋,男,57歲,漢族,身份證號碼:4206191963062*****,住址:隨縣吳山鎮唐王店村四組。
事故造成直接經濟損失約297萬元。
三、事故原因與性質認定
(一)直接原因
進入污水溝的劉昌生、曹國勝和參與施救的吳文洋,大量吸入污水溝內高濃度混合型有毒有害氣體,導致急性中毒死亡。
(二)管理原因
1、曹國勝不具備有限空間作業的安全生產條件,與劉昌生進入污水溝作業時未履行作業審批手續,未按照“先通風、再檢測、后作業”原則,在未檢測有毒氣體濃度,未佩戴有毒氣體防護用品,無監護人員的情況下,違規進入含有硫化氫、磷化氫、氰化氫等混合性有毒氣體的污水溝內作業,導致吸入混合性有毒有害氣體而發生中毒。
2、湖北正大有限公司違反有關安全的規定,將有限空間作業項目發包給不具備安全生產條件的曹國勝施工。公司有限空間作業辨識不清,未在有限空間作業部位設置警示標志,現場安全管理不到位,隱患排查治理不到位。公司安全教育培訓不到位,員工應急救援與處置能力不足,在未做好自身安全防護、佩戴必要的呼吸器具和救援器材的情況下盲目施救,造成事故后果擴大。
3、隨州高新區經濟發展局未認真履行工業行業安全生產監督管理職責,行業監管不到位。
(三)事故性質
經調查認定,湖北正大有限公司“4.23”較大中毒事故是一起較大生產安全責任事故。
四、對事故有關責任人員及責任單位的處理建議
(一)建議免予追刑的人員
曹國勝,男,隨縣新街鎮姚廟村十組居民、隨州市高新區國勝保潔經營部法定代表人,作為湖北正大有限公司污水溝清理工作的承包方,不具備相應的安全生產條件,未為作業人員配備防毒口罩、安全繩等個體防護用品,未配備便攜式有毒有害氣體檢測儀、通風裝置等清淤作業的安全裝備,未配備長管式呼吸器、正壓式空氣呼吸器等應急救援裝備及物資,未對作業人員進行安全培訓的情況下,違規從事污水溝清淤作業,導致事故發生,對事故負有直接責任,涉嫌重大責任事故罪,鑒于其在事故中死亡,建議免于追究刑事責任。
(二)建議移交司法機關處理的人員
1、朱連國,男,湖北正大有限公司副總經理、行政部負責人。在與個體工商戶曹國勝聯系、簽訂污水溝清理協議時,對曹國勝是否具備污水溝清淤作業安全生產條件把關不嚴,未認真核驗承包方作業人員安全培訓情況、勞動防護用品、應急救援物資配備等情況,未及時發現承包方勞動防護用品配備不到位的事故隱患,導致發生較大生產安全事故,涉嫌重大責任事故罪,依據《安全生產行政執法與刑事司法銜接工作辦法》,建議移送司法機關追究責任。
2、康玉璽,男,湖北正大有限公司行政總監,分管企業安全生產工作,負責行政部、后勤部、運輸部、保障部、安環部、種植部、養殖二區主管、無害化處理廠、副產品銷售、出雞部工作。在朱連國聯系曹國勝簽訂污水溝清理協議時,對曹國勝是否具備污水溝清淤作業安全生產條件把關不嚴,未認真核驗承包方作業人員安全培訓情況、勞動防護用品、應急救援物資配備等情況,未及時發現承包方勞動防護用品配備不到位的事故隱患,導致發生較大生產安全事故,涉嫌重大責任事故罪,依據《安全生產行政執法與刑事司法銜接工作辦法》,建議移送司法機關追究責任。
(三)建議實施企業內部處理的人員
1、周育才,男,湖北正大有限公司安環部經理,負責安全環境管理部工作。在曹國勝履行污水溝清理協議實施清污工程期間,未嚴格履行安全生產管理職責,未及時排查生產安全事故隱患,建議湖北正大有限公司予以降職處理,并將處理結果抄送隨州市應急管理局。
2、楊本武,男,湖北正大有限公司行政部職員,負責外勤工作。在曹國勝履行污水溝清理協議實施清污工程期間,未認真履行工作職責,監督檢查不到位,建議湖北正大有限公司予以告誡處理,并將處理結果抄送隨州市應急管理局。
(四)建議實施問責的人員
1、胡川,男,中共黨員,隨州高新區黨工委委員、管委會副主任(副處級),分管安全生產工作,履行安全生產監督檢查、巡查工作不力,對轄區內企業安全生產隱患排查治理工作部署不全面、不徹底,對事故發生負有領導責任,建議移交市紀委監委調查處理。
2、魏建業,男,中共黨員,隨州高新區經濟發展局局長,負責全區工業行業安全生產監督管理工作,對轄區工業企業安全監管工作開展不力,沒有布置、開展有限空間作業專項檢查,沒有對湖北正大有限公司安全管理制度、有限空間管理臺賬、檢測記錄、勞動防護用品配備、應急救援演練、專項安全培訓等情況開展監督檢查,對事故發生負有重要領導責任,建議移交市紀委監委調查處理。
(五)建議實施問責的黨委、政府及其部門單位
1、責令隨州高新區黨工委向隨州市委作出深刻書面檢查。
2、責令隨州高新區管委會向隨州市人民政府作出深刻書面檢查。
3、責令隨州高新區經濟發展局向隨州高新區管委會作出深刻書面檢查,并將書面檢查報送隨州市人民政府。
(六)建議實施行政處罰的單位和人員
1、曹國勝作為隨州市高新區國勝保潔經營部法定代表人,對事故負有直接責任,應予實施行政處罰,鑒于其在事故中死亡,建議免予行政處罰,其個體工商營業執照由隨州市市場監督管理局依法予以注銷。
2、湖北正大有限公司將污水溝清理工程發包給不具備安全生產條件的個體工商戶曹國勝,在簽訂的污水溝清理協議書中,未明確各自的安全生產管理職責,未對承包單位的安全生產工作統一協調、管理,未定期進行安全檢查。公司有限空間作業辨識不清,應急救援物資及裝備配備不足,應急救援與處置能力低下,安全培訓、現場安全管理、隱患排查、安全警示標志設置及對危險有害因素風險辨識不到位,導致發生較大生產安全事故,對事故負有責任,建議由隨州市應急管理局對該公司依法給予行政處罰。
3、李克孚作為湖北正大有限公司主要負責人,在朱連國聯系曹國勝簽訂污水溝清理協議時,對曹國勝是否具備污水溝清淤作業安全生產條件把關不嚴,督促、檢查本單位安全生產工作不力,沒有及時消除生產安全事故隱患,導致發生較大生產安全事故,對事故負有責任,建議由隨州市應急管理局對其依法給予行政處罰。
五、事故防范措施
(一)牢固樹立紅線意識、深化認識,切實提高安全生產工作的政治站位
1、提高思想認識,全面提升認識深度和重視程度。各地各部門各單位要認真學習習近平總書記、李克強總理和省委、省政府主要領導關于安全生產的一系列重要指示批示精神、《中共中央 國務院關于推進安全生產領域改革發展的意見》《省委 省政府關于推進安全生產領域改革發展的實施意見》《湖北省安全生產黨政同責實施辦法》《安全生產法》及《生產安全事故報告和調查處理條例》。堅守發展決不能以犧牲安全為代價這條不可逾越的紅線,始終把安全生產作為推動發展的生命線、高壓線和責任線,將安全生產納入經濟社會發展規劃,與轉方式、調結構、促發展結合起來,不斷提升認識深度和重視程度,進一步深化安全生產工作重要性和必要性的認識,時刻保持敬畏之心、戒懼之意。
2、加強組織領導,全面履行安全生產責任制。各地各部門各單位要始終把安全生產擺在重要位置,強化對安全生產工作的組織領導,充分發揮安委會職能,落實部門監管責任。堅持黨政同責、一崗雙責、齊抓共管、失職追責,堅持管行業必須管安全、管業務必須管安全、管生產經營必須管安全,切實承擔起“促一方發展、保一方平安”的政治責任,把安全生產各項措施落到實處,努力維護人民群眾生命財產安全。
3、加強協調配合,全面統籌部署安全生產工作。各地各部門各單位要將安全生產工作納入重要議事日程,其主要負責人要定期研究部署安全生產工作,組織解決安全生產重點難點問題。要進一步健全完善政府統一領導、部門依法監管、企業全面負責、群眾參與監督、全社會廣泛支持的安全生產工作格局,形成各方面齊抓共管的合力,加強安全生產工作的統籌部署,充分發揮安委會及其辦公室的指導協調作用,督促各成員單位落實各自工作責任。要結合當前安全生產專項整治三年行動工作,扎實推進安全生產治理體系和治理能力現代化建設,全力防范和化解重大安全生產風險,全面提升安全生產水平,實現各類事故死亡人數,一般事故起數持續下降,堅決遏制較大以上事故發生,全面維護人民群眾生命財產安全和經濟高質量發展、社會和諧穩定。
(二)認真吸取事故教訓、舉一反三,切實履行企業安全生產主體責任
1、采取有效措施,全面開展安全生產隱患排查。湖北正大有限公司要切實抓好各個環節安全生產工作,立即在公司組織一次全面的安全生產隱患大排查,及時發現和消除各類安全事故隱患。要完善公司安全責任體系,明確公司負責人、各級管理人員、各崗位工作人員的安全職責,確保企業安全責任到位、安全投入到位、安全培訓到位、安全管理到位、應急救援到位。
2、細化安全責任,全面加強安全生產工作統一協調管理。湖北正大有限公司要嚴格按照《安全生產法》的要求,在發包或出租生產經營項目、場所、設備時,應核驗承包方安全生產條件,與承包單位、承租單位簽訂專門的安全生產管理協議,約定各自的安全生產管理職責,明確責任人對承包單位、承租單位的安全生產工作統一協調、管理,定期進行安全檢查,發現安全問題的,及時督促整改。
3、建立管理臺賬,全面落實有限空間作業制度及規定。湖北正大有限公司要嚴格執行《工貿企業有限空間作業安全管理與監督暫行規定》,編制有限空間作業安全手冊,對有限空間進行辨識,建立管理臺賬,執行有限空間作業審批制度,對有限空間作業場所設置安全警示標志,開展有限空間作業安全培訓,為作業人員提供勞動防護用品,制定應急預案并定期進行演練。
(三)自覺加強安全監管、凝心聚力,切實履行安全生產屬地監管和行業監管責任
1、認真謀劃方案,全面開展有限空間作業專項整治工作。各地各有關部門要深化有限空間作業專項治理工作,全面開展涉及有限空間作業隱患排查。督促企業嚴格按照《工貿企業有限空間作業安全管理與監督暫行規定》和《工貿企業有限空間參考目錄》等規定要求,開展風險辨識管控。加強安全風險的辨識、評估和管控,制定有針對性的消除和控制措施,規范設置安全風險告知牌。完善安全設備設施,企業要根據作業需要配備相應的安全設備設施,并對設備設施定期檢驗,加強維護保養。
2、嚴格作業審批,全面落實有限空間作業有關制度和要求。各地各部門督促企業落實作業審批制度。在作業前制定作業方案和應急預案,嚴格履行作業審批,組織作業前培訓和應急演練,使作業人員熟悉存在的風險、安全作業規范和應急措施。落實“先通風、再檢測、后作業”的要求,進入有限空間作業前要進行安全告知。
3、組織專題培訓,全面宣傳普及有限空間等危險作業有關安全知識。各地各部門大力開展有限空間作業專題安全教育培訓。各地要利用公眾號等網絡媒體廣泛宣傳,普及有限空間等危險作業安全常識和科學施救知識。企業要開展事故警示教育,加強有限空間作業現場負責人員、檢測人員、監護人員和作業人員安全教育培訓,提高作業人員安全生產知識和意識,防止事故發生。
??
附件:1、湖北正大有限公司廠區排水溝空氣檢測結果
2、湖北正大有限公司廠區環境空氣和水質檢測結果
3、湖北正大有限公司事故污水溝應急檢測結果
??
隨州高新區湖北正大有限公司“4.23”
較大中毒生產安全事故調查組
2020年6月18日
??
??
??
??
??
隨州高新區湖北正大有限公司“4.23”
較大中毒生產安全事故調查組
調查組職務 | 姓名 | 職務 |
組 長 | 劉耘禾 | 市應急管理局局長 |
副組長 | 劉??濤 | 市應急管理局四級調研員 |
成 員 | 吳華安 | 市公安局法制支隊四級高級警長 |
金業凱 | 市檢察院第一檢察部檢察官助理 | |
祁君君 | 市總工會權益保障(女工)部部長 | |
晏明順 | 市應急管理局調查執法統計科科長 | |
毛??文 | 市安全生產監察支隊支隊長 | |
袁??威 | 市安全生產監察支隊隊員 |





掃一掃在手機上查看當前頁面
您訪問的鏈接即將離開“隨州市人民政府”門戶網站,是否繼續?
您的瀏覽器版本太低!
為了更好的瀏覽體驗,建議升級您的瀏覽器!